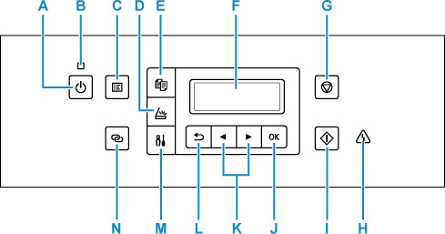
Панель керування

- A: Кнопка УВІМК. (ON)
-
Вмикає та вимикає живлення. Перш ніж увімкнути живлення, обов’язково закрийте кришку для притиснення документів.
- B: Індикатор УВІМК. (ON)
- Спочатку блимає, а потім світиться, коли вмикається живлення.
- C: Кнопка МЕНЮ (MENU)
- Відкриває екран Меню копіювання (Copy menu) або Меню сканування (Scan menu).
- D: Кнопка СКАН. (SCAN)
- Перемикає принтер у режим сканування.
- E: Кнопка КОПІЯ (COPY)
- Перемикає принтер у режим копіювання.
- F: РК-дисплей (рідкокристалічний)
- Слугує для відображення повідомлень, пунктів меню та робочого стану.
- G: Кнопка Стоп (Stop)
- Скасовує операцію в процесі виконання завдання друку, копіювання або сканування.
- H: Індикатор Попередження (Alarm)
- Світиться або блимає, коли виникає помилка.
- I: Кнопка «Пуск (Start)»
- Розпочинає копіювання, сканування тощо.
- J: Кнопка OK
- Дозволяє завершити вибір меню чи параметра. Ця кнопка також використовується для усунення помилки або вилучення документів із ПАПД (пристрою автоматичного подавання).
- K: Кнопки
і 
-
Використовуються для вибору параметрів. За допомогою цих кнопок також можна вводити символи.
- L: Кнопка Назад (Back)
- Повертає РК-дисплей до попереднього екрана.
- M: Кнопка Настроювання (Setup)
- Відображає екран Меню настроювання (Setup menu). За допомогою цього меню можна здійснювати технічне обслуговування принтера або змінювати його параметри. Також використовується для вибору режиму вводу.
- N: Кнопка Безпроводове підключення (Wireless connect)
- Щоб установити відомості про маршрутизатор безпроводової мережі в принтері безпосередньо зі смартфону чи іншого подібного пристрою (не виконуючи жодних дій на маршрутизаторі), утримуйте цю кнопку.

